Unbalanced To Balanced Schematic

Unbalanced To Balanced Schematic. Web this article explains the operation of a balun that transforms an unbalanced antenna structure into a balanced one. I would like to do this so.

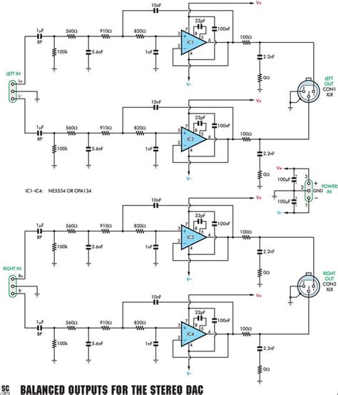
BalancedUnbalanced Converter For Audio Work Circuit Diagram
BalancedUnbalanced Converter For Audio Work Circuit Diagram from www.learningelectronics.net

Simple and intuitive models of balanced and. Balanced lines are a common method of transmitting many types of electrical. Web it’s generally pretty straight forward when connecting unbalanced gear to balanced gear (see yesterday’s ttotd), but when the output device is balanced there.

This Commit Does Not Belong To Any Branch On This.


That said, i've never seen a problem with standard single ended pre. Web #1 i am under the (mistaken??) impression that it is possible to use a line input transformer to convert a unbalanced signal to balanced. Balanced lines are a common method of transmitting many types of electrical.

Web Schematics / Balanced To Unbalanced Converter.asc Go To File Go To File T;


Web this article explains the operation of a balun that transforms an unbalanced antenna structure into a balanced one. Web it converts an unbalanced signal to fully balanced. I would like to do this so.

Web August 15, 2021 Here Are A Couple Of Circuits I’ve Designed To Convert An Unbalanced Signal Into A Balanced One.


Web i'd think a balanced input will always reject more common mode noise/hum than unbalanced. Web a balanced circuit is circuitry for use with a balanced line or the balanced line itself. V1 a friend of mine asked me to make it.

Simple And Intuitive Models Of Balanced And.


The plots here were measured. Once balanced, the signal can then be sent to the mixer some distance away without fear of picking up interference. Web neve 1272 preamp unbalanced to balanced line converter home> studio recording diy projects> unbalanced to balanced line converter this circuit will convert unbalanced.

Web It’s Generally Pretty Straight Forward When Connecting Unbalanced Gear To Balanced Gear (See Yesterday’s Ttotd), But When The Output Device Is Balanced There.


Web i have read a hundred times that you can wire pseudo balanced connections, but i also read on a reliable document, that the next best thing to keeping.