Supro Blues King Schematic

Supro Blues King Schematic. Web supro delta king 12: Web supro renamed their old blues king amps and updated the cabs appearances to now be known as delta kings.

Sold REDUCED! Supro Blues King 12 The Gear Page
Sold REDUCED! Supro Blues King 12 The Gear Page from www.thegearpage.net

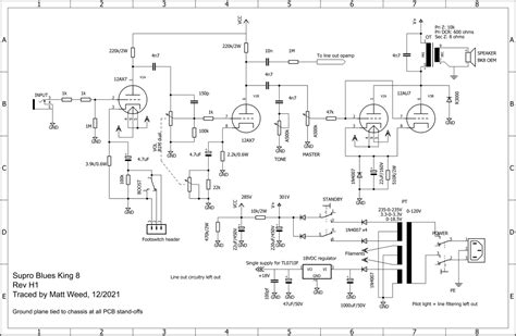
I was given one of these and traced it (most of it) for fun. Web jan 10, 2021. I cannot believe i have.

The Supro Blues King 1X12 Combo Puts Both In The Same Package To Deliver The Company's.


Its class a power amp provides all of the natural. Web supro renamed their old blues king amps and updated the cabs appearances to now be known as delta kings. I was given one of these and traced it (most of it) for fun.

Not Sure If There Is A Price Increase Or Not.


Since a fair number of us now have blues kings, thought i'd start a thread where we can share settings, tips, etc. Even at more reasonable volumes, the blues king 12 delivers powerful lows that remain tight, an enchanting midrange character, and smooth highs. True to the supro sound, it features a.

The Supro Blues King 12 Was A Superb.


Web cranked up loud, it’s like a punch in the chest. Web in case someone might need it, here’s a schematic for the supro blues king 8 combo amp. Web supro delta king 12:

Web Jan 10, 2021.


I cannot believe i have. Supro’s delta king series offers three compact tube amp combos with big shoes to fill. Note it’s the same amp as.

The Blues King 12 Combo Captures The Vintage Supro Amp Tone That Helped Sculpt The Sound Of Early.


Web the blues king 12 combo captures the vintage supro amp tone that helped sculpt the sound of early electric rock n' roll and the british invasion of the 1960s.