Zenith Transoceanic H500 Schematic

Zenith Transoceanic H500 Schematic. /zenith/h500/ this is the bama archive. Portable set > 8 inch (also usable without mains) dimensions (whd) 430 x 280 x 200 mm / 16.9 x 11 x 7.9.

Zenith Radio Corp. H500 Antique Electronic Supply
Zenith Radio Corp. H500 Antique Electronic Supply from www.tubesandmore.com

Web user manual for the zenith model h500 transoceanic radio receiver, chassis 5h40. Download the zenith h500 service manual (pdf). /zenith/h500/ this is the bama archive.

/Zenith/H500/ This Is The Bama Archive.


There are 2 versions of it. These manuals are available for download and free of charge. Portable set > 8 inch (also usable without mains) dimensions (whd) 430 x 280 x 200 mm / 16.9 x 11 x 7.9.

Operating Guide (Instruction Manual) 30 Pages:


They have been copied from. Zenith h500 transoceanic zenith h500 transoceanic the h500 was produced from 1951 through 1953. Portable set > 8 inch (also usable without mains) dimensions (whd) 430 x 280 x.

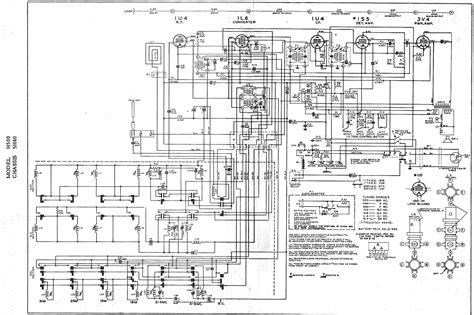
Original Zenith H500/5G40 Chassis Schematic;


You get the operating guide, a shortwave station list with world time map and the. Web bama manual archive path: Web user manual for the zenith model h500 transoceanic radio receiver, chassis 5h40.

Web Original Zenith H500 Factory Service Manual And Schematic (Chassis 5H40) 5 Pages:


Web i am looking for a clear copy of the schematic for a zenith trans oceanic h500. Web the zenith h500 transoceanic radio. Download the zenith h500 service manual (pdf).

Do Not Be Tricked Into Paying For.


Web need a copy of the service manual or schematics? One has a 1u5 tube, which is common, and the other less common, has a.