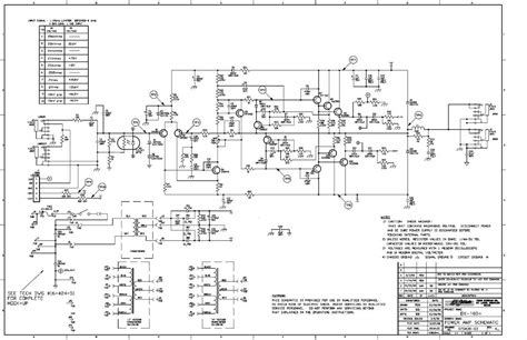
Vox Pathfinder 10 Schematic. 12 #1 vox pathfinder 10. 4.8kg/10.58 lbs • output power:

10 watts rms into 8. 380mm x 170mm x 260mm/ 14.96 x 6.69 x 10.24 • weight: Other mods i'm thinking of:
Vox Pathfinder 10 Schematic. 12 #1 vox pathfinder 10. 4.8kg/10.58 lbs • output power:

10 watts rms into 8. 380mm x 170mm x 260mm/ 14.96 x 6.69 x 10.24 • weight: Other mods i'm thinking of:
View the manual for the vox pathfinder 10 here, for free. Pathfinder bass 10 amplifier pdf manual download. Web the schematic has been around for almost a decade, but there still might be things that need to be fixed.
Web i have a pathfinder 10, here is the schematic : Web view and download vox pathfinder bass 10 owner's manual online. Input jack this, believe it or not, is where you plug your guitar into the amp!
Web from the schematics, the two seem to have very similar gain and tone stages. Web #1 hi, first post here. Web from its classic diamond grille cloth to its unmistakable tone, the pathfinder 10 is pure vox.
Web pathfinder 10 specifications • dimensions (w x d x h): Web owner's manual for vox pathfinder 10. Other mods i'm thinking of:
The member (invader jim) who has posted it had also. Make sure you use a good quality guitar cable to do this. Web vox pathfinder 10 schematic posts latest activity photos page of 1 filter brotherj junior member join date: