Volvo Penta Outdrive Schematic

Volvo Penta Outdrive Schematic. Ql accessories by volvo penta ; Web home volvo penta volvo penta parts diagrams volvo penta parts diagrams volvlo penta inboard & sterndrive parts diagrams are provided externally.

On a 1997 Volvo Penta Sx outdrive,Do you need to remove outdrive
On a 1997 Volvo Penta Sx outdrive,Do you need to remove outdrive from www.justanswer.com

Omc ==> volvo penta part number conversions ; Pump schematics (detroit, johnson, mpr, march, oberdorfer, sherwood) mercruiser schematics; Service, workshop and repair manuals.

Ql Accessories By Volvo Penta ;


Web volvo penta schematic part diagrams are an invaluable tool for mechanics, boat owners, and anyone looking to work on their boat's engine system. Workshop manual volvo penta 250 workshop manual. Quicksilver generators (generac) universal schematics;

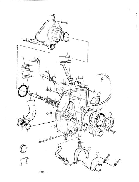
Shimming The Lower Gear To The Intermediate Housing.


(1) on the vertical shaft with the groove in the up position. Web home volvo penta volvo penta parts diagrams volvo penta parts diagrams volvlo penta inboard & sterndrive parts diagrams are provided externally. Omc ==> volvo penta part number conversions ;

Web At Sea Genuine Volvo Penta Parts.


We have 2 volvo penta 250 manuals available for free pdf download: Web manuals and user guides for volvo penta 250. Service, workshop and repair manuals.

Web Schematics & Manuals ;


Pump schematics (detroit, johnson, mpr, march, oberdorfer, sherwood) mercruiser schematics; Sealants, lubricants and adhesives cleaning solvent volvo penta gl5 synthetic gear lubricant,. Web we specialize in volvo penta volvo penta engines, outdrives, propellers, and other accessories, but we also carry mercruiser, pcm, cummins, perkins, etc.

Web Volvo Penta Service Tools All Tools By Are Listed In Text By Name And Part Number.


Web schematics & manuals ; Pump schematics (detroit, johnson, mpr, march, oberdorfer, sherwood) mercruiser schematics; Warrants that new or factory exchange parts and accessories will be free from defects in material or.