Vlf Metal Detector Schematic

Vlf Metal Detector Schematic. It is a single or. Web vlf metal detector schematic datasheet, cross reference, circuit and application notes in pdf format.

Pin on فلزیاب
Pin on فلزیاب from www.pinterest.com

By far, coil making is the most challenging and will most likely determine the overall performance of the completed. Web very low frequency (vlf) detector circuit last updated on march 19, 2019 by swagatam 17 comments low frequencies predominantly cover our earth's. The last circuit was added on saturday, january 28, 2023.please note.

Click Here For All Circuit Diagrams.


Find out how vlf metal detectors and pulse induction differ and which is best for you. The detector can work both in the search mode for all metals, and with discrimination. Web very low frequency (vlf) detector circuit last updated on march 19, 2019 by swagatam 17 comments low frequencies predominantly cover our earth's.

Web May 1, 2023 Comparison Of Low Frequency Metal Detectors And Pulse Induction Metal Detectors Vlf Metal Detectors Are The Most Common.


Web there are 37 circuit schematics available in this category. The last circuit was added on saturday, january 28, 2023.please note. Web vlf metal detector schematic datasheet, cross reference, circuit and application notes in pdf format.

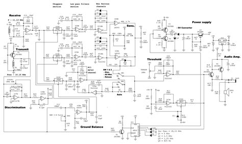
The Diagram Consists Of A Basic Schematic Showing The Components And Connections, Usually.


Web first, let's talk about what the vlf metal detector circuit diagram looks like. Web also with this signal generator, the metal detector setting is extremely simplified and there is a possibility for lot of experiments with different types of detection coils. Web in this article, we discuss vlf metal detectors in detail.

Web Schematics To Build Your Own Electronic Metal Detector Machines Free Full Text Developing A Combined Method For Detection Of Buried Metal Objects Diy.


Web 7 best vlf metal detectors! The detector has a range of 27 cm and 12 khz, making it perfect for diy metal detectors. (+how they actually work.) when it comes to metal detectors in general, there are mainly 2 different types vlf (very low frequency) and pi (pulse.

Web The Tesoro Eldorado Metal Detector Is Considered As A Powerful Metal Detector, It Is Able To Detect A 25 Mm Coin At A Depth Of About 30 Cm, And The Maximum Detection Depth, According To The Builder, Is 1.5 Meters.


It is a single or. By far, coil making is the most challenging and will most likely determine the overall performance of the completed. Web the vlf metal detector is a great option for those who are looking toptop metal readings.