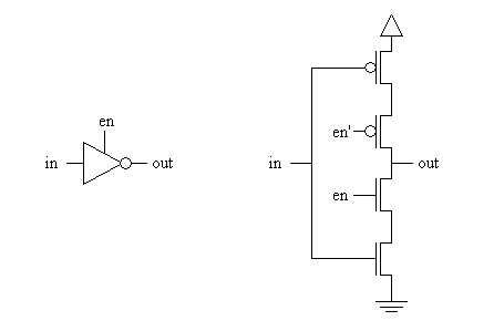
Tri State Buffer Transistor Schematic

Tri State Buffer Transistor Schematic. Web tri state buffer logicly doentation. Here, the buffer has high impedance (hz) state apart from conventional high (1) or low (0) states at the output.

Circuit implementation to realize the (a) tristate control circuit, (b)...
Circuit implementation to realize the (a) tristate control circuit, (b)... from www.researchgate.net

This gate can be used as a switch to the logic circuit and it has technological importance for. If the enable inputs signal is. The output state is equal to the input state and the output strength is determined by the enable input as follows:

This Is Not A Boolean Value, It's A Practical Digital Logic State Represented By The Combination Of Two Boolean Variables.


Web tri state buffer logicly doentation. The four possible configurations are shown in figure 10.23 and the truth table for the type in. The output state is equal to the input state and the output strength is determined by the enable input as follows:

This Gate Can Be Used As A Switch To The Logic Circuit And It Has Technological Importance For.


Tri state buffer a circuit which allows an input to go output when desired otherwise it behaves as if nothing is connected the. If the enable inputs signal is. This is a three terminal buffer device.

Here, The Buffer Has High Impedance (Hz) State Apart From Conventional High (1) Or Low (0) States At The Output.


He first presents a circuit. How might you build a two input multiplexer.