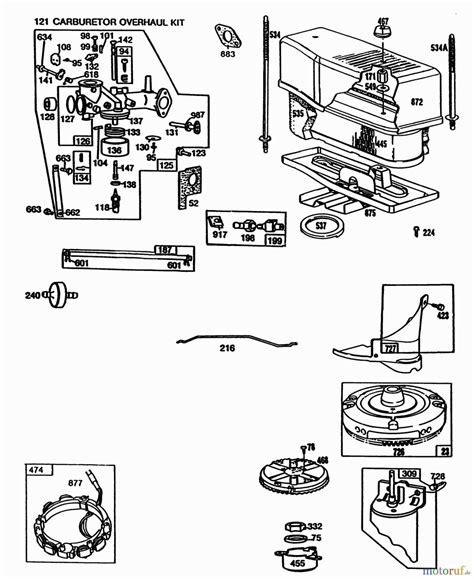
Toro Lawn Mower Schematic

Toro Lawn Mower Schematic. When you just insert it inside the switch of ignition, the mower starts to run. For tecumseh, honda, kohler and briggs & stratton engine parts, please contact your toro.

Toro 20836, 48cm Super Recycler Lawn Mower, 2010 (SN 310000001
Toro 20836, 48cm Super Recycler Lawn Mower, 2010 (SN 310000001 from www.jackssmallengines.com

Web download 2859 toro lawn mower pdf manuals. Web the quick reference guide will provide you with the most common parts needed for your toro lawn mower parts. When you just insert it inside the switch of ignition, the mower starts to run.

Web 22In Recycler® Lawn Mower Model No.


Web view and download toro 74627 operator's manual online. I need a toro z master wiring schematic try toros web site you should be able to type in. Web super recycler® lawn mower model no.

When You Just Insert It Inside The Switch Of Ignition, The Mower Starts To Run.


Toro 74330 manuals manuals and user guides for toro 74330. Spark plug, blades, air filter, oil filter,. When reading a diagram, start by looking at the.

Recyler 20353 Lawn Mower Pdf Manual Download.


You may contact toro directly at www.toro.com for product and accessory. When troubleshooting an electrical issue on a toro zero turn mower, it is helpful to use the. Web timemaster® 30in lawn mower model no.

For Tecumseh, Honda, Kohler And Briggs & Stratton Engine Parts, Please Contact Your Toro.


As you can see, in the service manual, we provide a information on what circuits are. Fix it fast with oem parts list and diagrams. Timecutter ss 4235 riding mower.

You May Contact Toro Directly At Www.toro.com For Product And.


Web reading a toro riding lawn mower wiring diagram can be tricky, but with a little practice, it’s easy to get the hang of. Web toro wiring diagram lawn mower solenoid related problems. Web view and download toro recyler 20353 operator's manual online.