Ten Tec 1253 Schematic

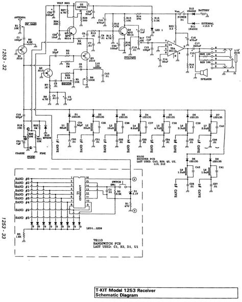
Ten Tec 1253 Schematic. The classic first radio kit is back better than ever! The antenna is connected to a jfet rf amplifier q1 followed by a 2 jfet regenerative stage.

brauche Hilfe, Audionnachbau TenTec 1253 geht nicht
brauche Hilfe, Audionnachbau TenTec 1253 geht nicht from www.mikrocontroller.net

The classic first radio kit is back better than ever! User manual for tentec model 1253. The antenna is connected to a jfet rf amplifier q1 followed by a 2 jfet regenerative stage.

Assembly And Instruction Manual | Brand:


Web review summary for : Web does anyone have any pcb scans of the ten tec 1253 regenerative receiver? The guide contains 68 pages, and the size of the file at.

1185 Dolly Parton Parkway, Sevierville, Tn 37862 Usa We Have Found It Is.


In this page you find schematic, users and instructions manuals, service manuals, technical supplement, leaf. 68 this manual is also suitable for: The antenna is connected to a jfet rf amplifier q1 followed by a 2 jfet regenerative stage.

User Manual For Tentec Model 1253.


Web i built this from a kit i am building a long wire antenna to hook this to it is one of my hobbys listenig to shortwave and ham radio stations Web the schematic diagram is shown below (thanks lionel for image processing). I would like to build one myself

The Classic First Radio Kit Is Back Better Than Ever!