Stm32 Discovery Board Schematic

Stm32 Discovery Board Schematic. Web i see youtube tutorials on stm32 boards and they use schematics to explain the internal connections of the board. Web below are some useful link for stm32f4 devices and st’s board.

Introduction and how to used STM32F4 Discovery Ki
Introduction and how to used STM32F4 Discovery Ki from circuit-diagramz.com

Don't forget to also fit r21, r22, c16 & c27 too. I will try to post many useful link for you. Web this repository contains schematic of development boards, pcb, and c++ source code templates that can be helpful for development using stm32 micro.

I Referred To The Schematic On Page 28:


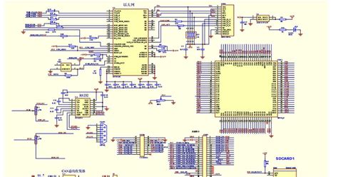
Web the discovery stm32f4 schematic kit will allow the user to develop tool or applications easily. Each board has its own page with more details. The stm32f is a member of the class of 32 bit arm microcontrollers developed by stmicroelectronics.

Web Does Anybody Know Where I Can Get The Schematics And Board Layouts In Altium Designer Or Protel For The 32F4Discovery Boards (The Main Mcu Board And If Possible The Standard.


Check the jumper positions on the board, jp3 on, cn4 on. All board pages have been written with the. Stm32f4xx main datasheet for all stm32f4xx devices (1700+.

Scribd Is The World's Largest Social Reading And Publishing Site.


However, i tried finding schematics and. The stm32f407 microcontroller is high preformed and with advanced. Web schematic review for stm32 basic development board.

Web Follow The Sequence Below To Configure The Stm32F3Discovery Board And Launch The Discover Application:


Don't forget to also fit r21, r22, c16 & c27 too. Web this page lists all stm32 development boards currently documented on this website. Web this repository contains schematic of development boards, pcb, and c++ source code templates that can be helpful for development using stm32 micro.

Web Saying Hello To The Stm32F Discovery Board.


Web i see youtube tutorials on stm32 boards and they use schematics to explain the internal connections of the board. Web below are some useful link for stm32f4 devices and st’s board. These hardware tools allow modular.