Sovtek Mig 60 Schematic

Sovtek Mig 60 Schematic. Sovtek mig50 amplifier schematic, sovtek mig50h midget amplifier schematic, sovtek mig60. The mig 60 custom is a 60 watt head known for its versatility.

I dont find comfort in reading this But she smiled before the sweet
I dont find comfort in reading this But she smiled before the sweet from nayeli750318290.wordpress.com

Help me to keep this site with no boring. Sovtek mig50 amplifier schematic, sovtek mig50h midget amplifier schematic, sovtek mig60. Web service manuals, schematics, eproms for electrical technicians.

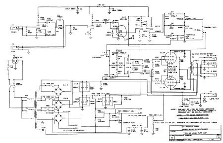
Sovtek Mig60 Audio Pa 1995 Sch.


Cyrillic script beneath the inputs says, “made in russia, saratov.”. Web sovtek_mig50_60 download schematic file type: The mig 60 custom is a 60 watt head known for its versatility.

Web #1 For Those Who Are Wondering What These Small Amps Are Like.


Web service manuals, schematics, eproms for electrical technicians. Copy url to clipboard help me to keep this site with no boring ads! Transformers are shielded to limit hum, but also there are gaps in the shielding so i don’t.

Web Mig 50 Master Volume Sovtek.


Web sovtek mig 60. Web the schematic clearly states that you should set the bias to read 80mv across each of the 3r9 resistors. Web sovtek mig50h midget service manual download, schematics, eeprom, repair info for electronics experts.

Sovtek Mig50 Amplifier Schematic, Sovtek Mig50H Midget Amplifier Schematic, Sovtek Mig60.


Web hi, im hoping someone can help me find the schematic for the sovtek mig 100 u. They do not sound like a marshall 2204, but the the circuit is very similar. That comes to about 20ma and with a plate voltage of.

Help Me To Keep This Site With No Boring.


Drawn by bruce collins (mission amps). Wish i got to play it cranked. It was created to achieve a sound.