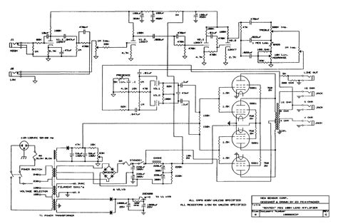
Sovtek Mig 100 Schematic

Sovtek Mig 100 Schematic. Web does anyone have or know where i can get a sovtek mig 100 schematic? Web there are several schematics floating around:

Sovtek Mig 100U Schematic Request
Sovtek Mig 100U Schematic Request from music-electronics-forum.com

Help me to keep this site with no boring. I can find the mig 100h all over the place. I got a copy from sovtek a.

Added Tube Fx Loop.output Tubes:


November 3, 2010 at 10:12 am #80941. But not the mig 100. The differences are as follows.

Hi, Im Hoping Someone Can Help Me Find The Schematic For The Sovtek Mig 100 U.


I got a copy from sovtek a. Web sovtek mig 100(h) vs sovtek mig 100u basically amps sovtek mig 100(h) and sovtek mig 100u by schematics are relatively similar. Mig 100h is definitely different to mig 100 and 100u is actually a mystery to me, unless it's similar to mig 100.

Web There Are Several Schematics Floating Around:


Web does anyone have or know where i can get a sovtek mig 100 schematic? Help me to keep this site with no boring. I can find the mig 100h all over the place.

Sovtek Mig50 Amplifier Schematic, Sovtek Mig50H Midget Amplifier Schematic, Sovtek Mig60.


Web took a chance and picked up a non working mig 100 early 93 version recently. Web sovtek mig100h service manual,repair schematics,online download data: