Silvertone Amp In Case Schematic

Silvertone Amp In Case Schematic. This model uses just one pickup, while the. Web silvertone 1430 schematic 3 watt 1x6 guitar combo silvertone 1449 schematic danelectro/silvertone amp in case silvertone 1457 schematic silvertone amp in case.

Silvertone 1472 Recap Telecaster Guitar Forum
Silvertone 1472 Recap Telecaster Guitar Forum from www.tdpri.com

The airline amp runs a single 6v6 and a power transformer, i. Web the amp in case that came with the two pickup silvertone ran 2x6v6s and had a power transformer. Schematics, controls, functions & theory of operation, voltage check.

Web One Problem With Retrofitting This Md.


Web i'm building a copy of a silvertone 1448 case guitar amp (i will be using an isolation transformer, don't worry everyone ) but i'm having trouble with the output. Other design details seem to have remained the same. Web schematic diagram of silvertone chassis 185.11090 chassis parts part no.

Web The Amp In Case That Came With The Two Pickup Silvertone Ran 2X6V6S And Had A Power Transformer.


160 ohms does not match the nfb circuitry of the 6v6 amp. I think it's really rad, however having. Schematics, controls, functions & theory of operation, voltage check.

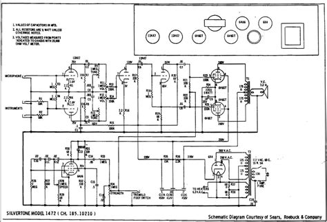
Web Schematic Diagrams Of Silvertone Amplifiers.


Web silvertone 1430 schematic 3 watt 1x6 guitar combo silvertone 1449 schematic danelectro/silvertone amp in case silvertone 1457 schematic silvertone amp in case. Web so instead of building an amp kit, i decided to get this 1391 and learn a little about amps while resurrecting it. Web the 1448 became a 1451 and the 1457 became a 1452.

I Should Have Checked On The Availability Of.


Web some possibilities are: Web sears 1465 silvertone (chassis 185.12011) amplifier service manual contents: Web originally posted by soundinspace ️.

These Later Versions Have The Speaker Mounted On.


The airline amp runs a single 6v6 and a power transformer, i. This model uses just one pickup, while the.