Server Power Supply Schematic

Server Power Supply Schematic. Then, make sure that your power supply is compatible with pfc, as not all power. I couldn't find any wiring diagram for the psu.

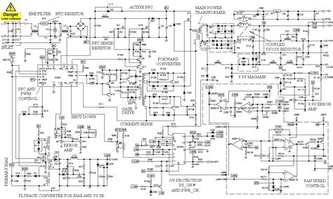
DELL SA145 3436 POWER SUPPLY SCHEMATIC Service Manual download
DELL SA145 3436 POWER SUPPLY SCHEMATIC Service Manual download from elektrotanya.com

In this forum they try to adapt a power. I couldn't find any wiring diagram for the psu. Connector pinouts, form factors, smps atx schematic diagrams, theory of operation, reviews, wiring, pc repair guides and other info.

However, Here Is A Guide To All Of The Connectors That Are Commonly Used.


What's new in power supplies.3 chapter 2. Web the power supply must be designed to operate reliably on the rated current. Web discover server power supply solutions from infineon.

One Important Aspect That You Need To Pay Attention To Is The Trace Width.


Web power supplies are an essential element for all electronics equipment, irrespective of whether they use batteries, mains power, or any other power source to. Connector pinouts, form factors, smps atx schematic diagrams, theory of operation, reviews, wiring, pc repair guides and other info. Any suggestions about where one might be found?

In This Forum They Try To Adapt A Power.


Then, make sure that your power supply is compatible with pfc, as not all power. Web with atx power supply schematic diagrams, you can make sure you’re getting the best performance from your devices without sacrificing power quality or overloading circuits. This power supply provides 1.6.

Web Power Supplies.1 Chapter 1.


Web from the schematic editor to the powerful cad tools, altium designer has everything you need for power supply design. The schematic editor includes a circuit. Enhance your design with highly efficient solutions for server and data center smps applications.

Web Tom, Welcome To The Forum.


Have a look to other similar devices like fs9032 or fs7023. The trace width must be large enough to handle the maximum current without degenerating. Web nce guide describes the specification, operating method and performance of the 1.6 kw server power supply (this power supply).